pro olejoznaky HCK.
Se zástrčkovým konektorem DIN 43650 C, pro aplikace při teplotách do 120 °C
pro olejoznaky HCK.
Se zástrčkovým konektorem DIN 43650 C, pro aplikace při teplotách do 120 °C
Držák senzoru
Technopolymer na bázi polyamidu (PA), vodotěsný, s vestavěným relé (typ reed) se dvěma vodiči napojenými na konektor.
Lze jim pohybovat podél osy olejoznaku a zajistit v požadované poloze pomocí vhodného šroubu (stavěcího šroubu) z technopolymeru.
Elektrický senzor
Kontakty NO a NC (počáteční stav snímačů reed) znamenají stav elektrického kontaktu, kdy je nádrž plná a plovák je tedy v horní poloze (obr. 1).
- NC: elektrický obvod se sepne, jakmile se plovák ve fázi plnění nádrže dotkne snímače. Stejným způsobem se elektrický obvod rozpojí, pokud se plovák dotkne snímače ve fázi vyprazdňování nádrže.
- NO: elektrický obvod se rozpojí, jakmile se plovák ve fázi plnění nádrže dotkne snímače. Stejným způsobem se elektrický obvod sepne, pokud se plovák dotkne snímače ve fázi vyprazdňování nádrže.
Plovák
Technopolymer na bázi polypropylenu (PP), maximální toplota použití 80 °C, nebo technopolymer na bázi polyamidu (PA) maximální teplota použití 120 °C, barva černá.
Plovák obsahuje magnetický prvek pro aktivaci elektrického kontaktu. Když plovák dosáhne nastavené úrovně senzoru, kterým lze pohybovat podél osy olejoznaku pomocí držáku, tak elektrický kontakt sepne.
Max. provozní tlak kapaliny je 2 bary (platí pro olej)
Distanční podložky
Technopolymer na bázi polyamidu (PA). Nezbytné v případech, kdy je nádrž vyrobená z kovového (feromagnetického) materiálu a je třeba zabránit interakci mezi magnetem a kovovou nádrží.
Zástrčkový konektor
- Konektor DIN 43650 C z technopolymeru na bázi polyamidu (PA) vyztuženého skelnými vlákny, barva černá.
- Čtyřpólový konektor M12x1, technopolymer na bázi polyamidu (PA) vyztužený skelnými vlákny, certifikovaný na samozhášivost podle normy UL-94-V0, barva černá, matný povrch.
Pro správnou montáž si přečtěte informace v kapitole Pokyny pro použití.
Zásuvkový konektor (DIN 43650 C)
Se zabudovanou kabelovou průchodkou a držákem kontaktu. Čelní nebo boční výstup (horní nebo dolní) s ochranou proti postříkání vodou (stupeň krytí IP 65 dle EN 60529) lze během instalace pomocí vhodných opatření zvýšit.
S těsnicím kroužkem ze syntetické pryže NBR.
Souprava
Souprava zahrnuje jeden nebo dva držáky senzoru, plovák, 4 O-kroužky (2 FKM pro HCK-GL a 2 NBR pro HCK), 2 vymezovací podložky a dvě matice M12 UNI 5589 z nerezové oceli AISI 316.
Je možné aplikovat více než jednu soupravu k elektrické kontrole různých výšek hladin, které lze kontrolovat po celé délce průhledné trubice olejoznaku.
Standardní provedení
Pro aplikace s teplotami do 80 °C: plovák z technopolymeru na bázi polypropylenu (PP).
- SLCK-NO: s elektrickým kontaktem normálně otevřeným.
- SLCK-NC: s elektrickým kontaktem normálně uzavřeným.
- SLCK-NO-NC: s jedním elektrickým kontakterm normálně otevřeným a jedním normálně uzavřeným.
- SLCK-NC-NC: se dvěma elektrickými kontakty normálně uzavřenými.
- SLCK-NO-NO: se dvěma elektrickými kontakty normálně otevřenými.
Pro aplikace s teplotami do 120 °C: plovák z technopolymeru na bázi polyamidu (PA).
- SLCK-HT-NO: s elektrickým kontaktem normálně otevřeným
- SLCK-HT-NC: s elektrickým kontaktem normálně uzavřeným.
- SLCK-HT-NO-NC: s jedním elektrickým kontakterm normálně otevřeným a jedním normálně uzavřeným.
- SLCK-HT-NC-NC: se dvěma elektrickými kontakty normálně uzavřenými.
- SLCK-HT-NO-NO: se dvěma elektrickými kontakty normálně otevřenými.
- KN: koncovka verzí se zástrčkovým konektorem M12
| Elektrický senzor | Stav kontaktu | |
|---|---|---|
| Nádrž plná | Nádrž prázdná | |
| SLCK-NO | NO | NC |
| SLCK-NC | NC | NO |
Příslušenství na vyžádání
FC-M12x1 prodlužovací kabely se čtyřpólovým axiálním zásuvkovým konektorem M12.
Vlastnosti a provedení
Při použití soupravy pro elektrickou kontrolu hladiny SLCK pro olejoznaky sloupcové HCK. a HCK-GL se vysílá elektrický signál v případě, že hladina kapaliny dosáhne nastavené polohy. Navíc umožňují vizuální kontrolu hladiny. Snímač pro elektronickou kontrolu hladiny může být použitý se všemi typy olejoznaků HCK. Od provedení se vzdáleností otvorů 127 mm je vždy možné sledovat hladinu kapaliny také z boku.
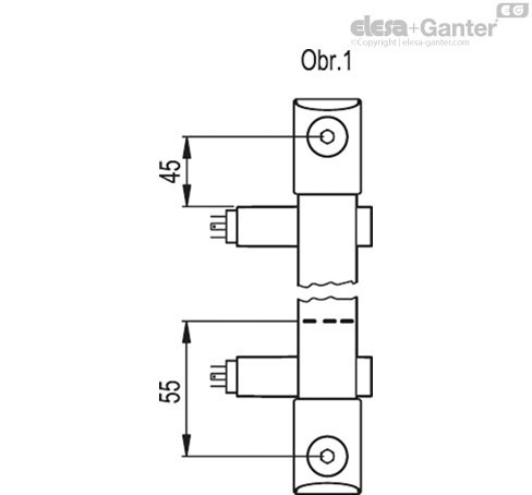
V nejvyšší poloze musí být držák senzoru umístěný nejméně 45 mm pod osou horního šroubu (obr. 2), aby bylo zajištěno správné spínání.
Nejnižší hladina kapaliny, která určuje sepnutí elektrického obvodu, je cca 55 mm nad osou spodního šroubu (údaj platí pro minerální olej typu CB68 dle normy ISO 3498 při teplotě 23 °C), (obr. 2).
Držák senzoru by měl být namontovaný vlevo s ohledem na osu olejoznaku. Je ale také možné ho namontovat vpravo. Konektor může být natočený pro napojení po 90° ve čtyřech polohách.
Pro správnou montáž si přečtěte informace v kapitole Pokyny pro použití.
V případě použití prodlužovacího kabelu s úhlovým konektorem je směr výstupu kabelu zobrazený na obr. 3.
Montážní návod pro soupravu
- Demontujte svorku pro montáž indikátoru (obr. 4).
- Nasuňte držák senzoru (obr. 5).
- Vložte plovák s nápisem „up“ nebo polokulovitým zakončením směrem vzhůru a přesuňte montážní svorku do příslušné polohy (obr. 6). Aby inicializace proběhla správně, musí plovák překročit polohu snímačů.
- Upínacím šroubem uchyťte držák v potřebné poloze (obr. 7).
- Namontujte olejoznak na nádrž pomocí vymezovacích podložek, které jsou součástí dodávky (nutné v případě, že je nádrž vyrobená z feromagnetického materiálu a je nutné zabránit interakci mezi magnetem a kovovou hmotou (obr. 8).
- Pokud má nádrž tenké stěny, ve kterých nelze vytvořit otvory se závity, použijte dodané matice (max. tloušťka dveří = 2 mm) (obr. 9).
- Dvoupólový konektor osaďte vodičem a namontujte jej (výstup DIN 43650 C) (obr. 10).
Montážní návod pro dvou-pinový konektor
- Vyjměte konektor z držáku senzoru tak, že vyšroubujete axiální stavěcí šroub konektoru. Vyndejte držák kontaktu a uvolněte kabelovou průchodku.
- Prostrčte kabel do konektoru a napojte vodiče do svorek držáku kontaktu.
- Natlačte držák kontaktu zpátky na konektor do potřebné polohy (držák kontaktů může být natočený po 90° ve čtyřech polohách aby bylo dosaženo různé orientace konektoru).
- Přišroubujte konektor zpět do držáku senzoru pomocí axiálního stavěcího šroubu a pak utáhněte kabelovou průchodku.
| Elektrické vlastnosti senzoru hladiny | |
|---|---|
| Zdroj napájení | AC/DC |
| Elektrické kontakty | NO normálně otevřeno |
| NC normálně uzavřeno | |
| Maximální použitelné napětí | DIN 230 Vdc / Vac |
| KN max 30 Vdc / Vac | |
| Rozsah napětí (typ KN) | <30 Vac, <30 Vdc |
| Maximální proud (CC CA) | 2 A |
| Maximální jmenovitý výkon | 40 W / VA |
| Kabelová průchodka (provedení s konektorem DIN) | Pg 7 (pro kabely s pláštěm Ø 6 nebo 7 mm) |
| Průřez vodičů (provedení s konektorem DIN) | Max. 1.5 mm2 |
| Nemontujte tento senzor v blízkosti magnetických polí. | |
Váš požadavek byl odeslaá a bude co nejrychleji zpracován