GN 707.4-AL
GN 707.4
Naříznuté stavěcí kroužky
78711-R,20
78710-R,10
78712-R,50
neboGN 300-30-B5-SW;60
GN 612-5-M12x1,5-A;40
DIN 172-B10,5-20-A;50
ISO 8675-M8x1-04-BT;10
78711-R,20
78710-R,10
78712-R,50
neboGN 300-30-B5-SW;60
GN 612-5-M12x1,5-A;40
DIN 172-B10,5-20-A;50
ISO 8675-M8x1-04-BT;10
Upínací kroužek
Šroub s válcovou hlavou ISO 4762
Nerezová ocel AISI 304
Zajištění závitu
Částečný povlak z polyamidu (PFB)
modrý
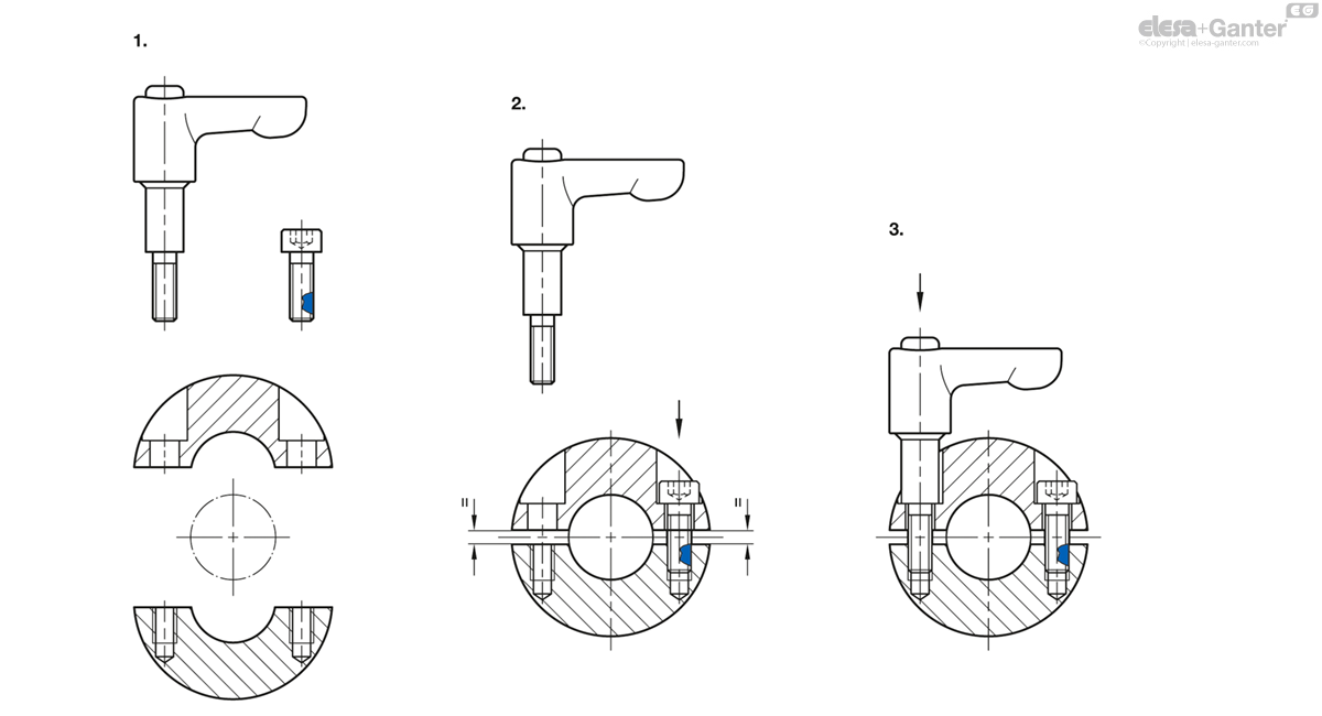
Regulovatelné páky
Pokud není možné axiální uchycení, použijí se naříznuté stavěcí kroužky GN 707.4. Lze je snadno a rychle upnout bez použití nářadí snížením výšky nastavitelnou upínací pákou. Proto je lze použít jako například koncový doraz, který je nutno často nastavovat.
Zajištění přiloženého šroubu s válcovou hlavou závitem zajišťuje, že se bude udržovat výška slotu nastavená při instalaci, a to i v případě, že se upínací páka povolí.
Rozměry stavěcích kroužků odpovídají jednostranně naříznutým stavěcím kroužkům GN 706.2 / GN 706.4. Závit d3 pro rozměry d1 = 16–36 je konstruován jako průchozí otvor; pro rozměry d1 = 42 a více je konstruován jako slepý otvor.
Váš požadavek byl odeslaá a bude co nejrychleji zpracován