GN 7404-NI
GN 7404
Dvoucestné odvzdušňovací membrány
78711-R,20
78710-R,10
78712-R,50
neboGN 300-30-B5-SW;60
GN 612-5-M12x1,5-A;40
DIN 172-B10,5-20-A;50
ISO 8675-M8x1-04-BT;10
78711-R,20
78710-R,10
78712-R,50
neboGN 300-30-B5-SW;60
GN 612-5-M12x1,5-A;40
DIN 172-B10,5-20-A;50
ISO 8675-M8x1-04-BT;10
Tělo
Membrána
Netkaný silonový materiál / Máčení v akrylovém kopolymeru
Uzavření membrány
Plast (Polyamid PA)
Ochranné sítko
Nerezová ocel AISI 304
Těsnění / O-kroužek
Pryž NBR (Perbunan®)
Dvoucestné prodyšné membrány GN 7404 se používají pro konstrukci plášťů a zařízení. Při instalaci do pláště mohou vyrovnávat tlak mezi vnitřním prostorem pláště a okolním prostředím.
Zabraňují vniknutí nečistot, prachu, oleje nebo vody v plynné fázi. Díky tomu neproniká prach a vlhkost do vnitřku pláště, odkapávání oleje do okolí.
Membrány je třeba chránit tak, že nejsou zcela pokryté olejem nebo vodou, a nesmí být překročen diferenciální tlak/objem propustnosti vzduchu. Musí být instalovány na boku/vertikálně v chráněné pozici.
Vnější průměr pláště se zahloubeným šestiúhelníkem je konstruován pro zkosené desky pro trubkové armatury DIN 3852.
Těsnění je zapuštěné do zahloubení na rovné straně. To zabraňuje jeho ztrátě a vytlačení směrem ven během utahování.
Montážní pokyny: Pro montáž na stěny o tloušťce menší než 4 mm použijte montážní matice GN 7430.
Membrány používají jako substrát netkaný nylonový materiál se zcela neuspořádanou strukturou. Nepatrné póry membrány jsou vytvořeny úplným nasycením vláken s akrylátovým kopolymerem, které nevyplní mezery v materiálu.
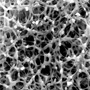
Materiálové a procesní parametry mohou ovlivnit velikost pórů během výroby, která může být v rozsahu 0,2 až 10 µm. Ke stanovené kvality membrány může být použit pórometr. To je hodnocení, které mimo jiné definuje rozložené velikosti pórů membrány a propustnost vzduchu. Zde je znázorněn mikroskopický obraz průřezu membrány.
Porovnání: Minimální šířka velikosti síťky filtru vyrobená ekonomicky přípustným způsobem je 50 µm.
Membrána, mikroskopické zobrazení, zvětšení 2000x
Membrány odpuzují olej a vodu v důsledku materiálu a povrchové struktury. To brání kapkám vody a oleje v úplném zalití povrchu membrány. Tyto vlastnosti jsou podporovány instalováním membrány na straně ve svislé poloze.
Pokud je membrána ve výjimečných případech zakryta, malá množství oleje nebo vody mohou být protlačena skrze membránu v důsledku působení tlakového rozdílu. Jakmile byla situace napravena, olej a voda budou odkapávat a membrána bude plně funkční.
Pro používání membrán jsou důležité následující parametry – maximální objem propustnosti pro vzduch, maximální tlakový spád a maximální jmenovitý/průrazový tlak. Mezi dosažitelným objemem propustnosti pro vzduch a diferenčním tlakem (spádem) existuje lineární vztah, který by neměl překročit 1 bar.
Tepelná odolnost - Pouzdro membrány nesmí být použito při teplotách vyšší než 100 °C. Samotná membrána je však odolná vůči teplotám až do 150 °C.
Chemická odolnost – Membrány jsou odolné vůči široké škále chemických látek, které se často používají ve strojírenství a automobilovém průmyslu, například oleje, paliva, organická rozpouštědla a alkoholy. Pokud máte jakékoliv pochybnosti, měli byste provést test snášenlivosti látek.
Váš požadavek byl odeslaá a bude co nejrychleji zpracován