78711-R,20
78710-R,10
78712-R,50
neboGN 300-30-B5-SW;60
GN 612-5-M12x1,5-A;40
DIN 172-B10,5-20-A;50
ISO 8675-M8x1-04-BT;10
78711-R,20
78710-R,10
78712-R,50
neboGN 300-30-B5-SW;60
GN 612-5-M12x1,5-A;40
DIN 172-B10,5-20-A;50
ISO 8675-M8x1-04-BT;10
Ruční kolečko DIN 6336
Plast (Polyamid PA)
barva černá, matný povrch
Vačka západky
Ocelový plech
pozinkovaná, modrý pozink
Rotor a distanční pouzdro
Ocel
pozinkovaná, modrý pozink
Západky GN 117 s vačkou jsou odolné vůči vibracím a mají rozsah přítlačného působení vačky do 10 mm. Zavírání se uskutečňuje otočením kolečka ve směru hodinových ručiček.
Pozornost si zaslouží také jejich příznivá cena a jednoduchá instalace.
Otočením západky ve směru hodinových ručiček se stupňovitá vačka tlačená pružinou dostane za dveřní rám a přitáhne dveře.
Široký rozsah přítlačného působení této západky s vačkou (10 mm) umožňuje dobré použití i v případech, kdy jsou dveře opatřené těsněním. Při volbě zavírací vzdálenosti “Z” je nutné vzít do úvahy tloušťku dveřního těsnění. Vačka tlačená pružinou (talířová pružina) zabraňuje otevření dveří při vibracích.
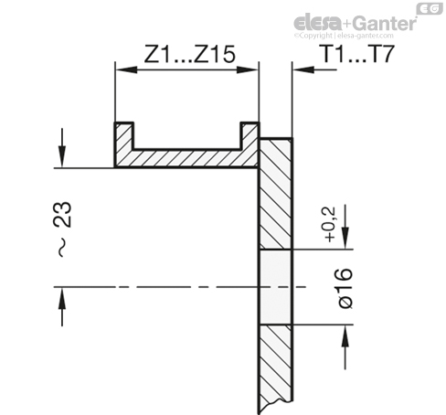
Pro montáž západky musí být dveře opatřené otvorem Ø 16 mm, kdy střed otvoru je ve vzdálenosti 23 mm od rámu dveří. Rotor se vloží do otvoru z čelní strany. Distanční pouzdro, vačka a talířová pružina se v uvedeném pořadí nasadí na rotor z vnitřní strany.
Samosvorná matice je namontována utahovacím momentem, který umožňuje volný pohyb západky.
| T+Z | l max. |
| ≤ 13.5 | 31 |
| ≤ 18 | 35.5 |
| ≤ 22.5 | 40 |
| ≤ 27 | 44.5 |
| ≤ 31.5 | 49 |
| ≤ 36 | 53.5 |
| ≤ 40.5 | 58 |
| ≤ 45 | 62.5 |
| ≤ 49.5 | 67 |
| ≤ 54 | 71.5 |
| ≤ 58.5 | 76 |
| ≤ 63 | 80.5 |
Váš požadavek byl odeslaá a bude co nejrychleji zpracován